Почему, если в люстре перегорает одна лампочка, все остальные продолжают гореть, а в простейшей ёлочной гирлянде одна перегоревшая гасит сразу все? Так происходит потому, что в люстре используется параллельное соединение элементов, а в гирлянде — последовательное. Эти два основных вида соединения применяются в зависимости от конкретных целей, для которых создаётся электрическое устройство. Для решения практических задач используются сложные комбинации параллельных и последовательных подключений различных элементов цепи.
Последовательное соединение проводников

При последовательном соединении элементы подключаются друг за другом — конец одного соединяется с началом другого. В такой цепи подключений отсутствуют разветвления, цепь выглядит как прямая линия.

- управление яркостью ламп — для этого последовательно с лампой подключается переменный резистор (потенциометр);
- защита от перегрузки по электрическому току — если нужно ограничить силу тока на каком-либо элементе цепи, то перед ним последовательно подключают предохранитель, имеющий нужное значение сопротивления;
- амперметры — эти измерительные приборы имеют очень малое сопротивление (чтобы минимизировать искажение измеряемой силы тока) и подключаются в цепь последовательно.
Начните учиться бесплатно!
Попробуйте любую программу — бесплатно! Узнайте, что подойдёт именно вашему ребёнку.
Живые уроки с учителями в формате онлайн
Доступ к учебным материалам до конца учебного года*
Интерактивные тесты и курсы для вашего обучения
Расписание уроков в пробный период, адаптированное под вас
*Уточняйте у менеджера

Законы последовательного соединения проводников
При последовательном соединении через все компоненты цепи протекает одинаковый ток — на всём протяжении цепи. Если у нас есть N последовательно соединённых резисторов, то сила тока в каждом из них будет одинакова:
I1 = I2 = … = IN.
Если любой из элементов последовательной цепи выйдет из строя, то цепь разомкнётся, и ток протекать по ней не сможет. Поэтому в гирляндах из последовательно соединённых лампочек при перегорании одной из них вся гирлянда гаснет.
Общее напряжение на последовательной цепи определяется как сумма напряжений на каждом элементе.
Uобщ = U1 + U2 +… + UN.
Общее сопротивление последовательной цепи равно сумме всех сопротивлений.
Rобщ = R1 + R2 +… + RN.
Пример решения задачи
Лампа может нормально гореть при напряжении U1 = 120 В и силе тока I1 = 4 А. Какое добавочное сопротивление R нужно последовательно подключить к лампе, чтобы ее можно было включить в сеть с напряжением U = 220 В?
Решение
При подключении к лампе добавочного сопротивления R через лампу и через это сопротивление будет протекать одинаковый ток I1. При этом сумма напряжений на лампе U1 и на сопротивлении будет равна U = 220 В.
По закону Ома напряжение на подключённом сопротивлении будет равно R• I1. Значит, мы можем записать:
U1 + R• I1 = U.
Проделываем преобразования и выражаем R:
R• I1 = U - U1.
R = (U - U1) / I1.
Подставляем численные значения и получаем:
R = (220 – 120) / 4 = 25 Ом.
Ответ: R = 25 Ом
Параллельное соединение проводников

При параллельном соединении подключённые компоненты соединены друг с другом двумя общими узлами. Таким образом, ток получает несколько параллельных путей для протекания.

Благодаря наличию разных путей для тока параллельное соединение позволяет подключать несколько устройств (потребителей) к одному источнику питания.
Параллельное подключение чрезвычайно широко используется на практике. Вся бытовая техника (телевизоры, холодильники, светильники и т. д.) в доме подключается в электросети параллельно. Поэтому отключение или подключение какого-либо прибора не мешает работе остальных.
В автомобилях параллельное подключение используется для фар, поворотников и других электрических устройств. В бытовых и коммерческих системах освещения также используется этот тип подключения.
Параллельное соединение проводников: формулы
При параллельном соединении все элементы, находящиеся на параллельных ветках, по сути, присоединены к двум точкам. Поэтому напряжение на концах каждой ветки одинаковое.
Uобщ = U1 = U2 =… = UN.
Электрический ток, «подходя» к точке ветвления, может «растекаться» по всем веткам. Поэтому сила тока в неразветвленной части цепи равна сумме токов во всех параллельных ветках.
Iобщ = I1 + I2 + … + IN.
Общее сопротивление цепи из N параллельно соединённых проводников вычисляется по формуле:
1/Rобщ = 1/R1 + 1/R2 + … + 1/RN.
Если проводников всего два, то их общее сопротивление можно вычислить с помощью следующей формулы:
Rобщ = R1•R2 / (R1 + R2).
Простые преобразования показывают, что если мы параллельно соединяем N проводников с одинаковым сопротивлением R, то общее сопротивление этого участка будет Rобщ = R/ N.
Пример решения задачи
Три резистора R1 = 20 Ом, R2 = 40 Ом, R3 = 80 Ом соединены параллельно и подключены к источнику напряжения U = 220 В. Найти силу тока в неразветвленном участке цепи.
Решение
Чтобы найти силу тока в неразветвленном участке цепи, нужно вычислить общее сопротивление трёх параллельно подключённых резисторов. Для этого воспользуемся известной формулой:
1/Rобщ = 1/R1 + 1/R2 + … + 1/RN.
В нашем случае N = 3.
1/Rобщ = 1/R1 + 1/R2 + 1/R3.
Проделываем преобразования и приводим дроби к общему знаменателю:
1/Rобщ =(R1 + R2)/(R1•R2) + 1/R3 = R3•(R1 + R2)/(R1•R2• R3) + R1•R2 / (R1•R2• R3).
1/Rобщ = (R1•R2 + R1•R3 + R3•R2) / (R1•R2• R3).
Rобщ = (R1•R2• R3)/(R1•R2 + R1•R3 + R3•R2).
Rобщ = (20•40•80) / (20•40 + 20•80 + 40•80) = 80/7 Ом.
Теперь воспользуемся законом Ома и определим искомую силу тока:
I = U / Rобщ = 220 / (80/7) = 19,25 А.
Ответ: I = 19,25 А.
Смешанное соединение проводников
На практике чаще всего используются комбинации линейного и параллельного соединений. В этом случае, чтобы найти сопротивление смешанного участка цепи, нужно сначала постараться упростить схему, сделать её более наглядной. Затем, применяя формулу для вычисления общего сопротивления последовательного и параллельного соединения, вычисляют общее сопротивление.
Пример решения задачи

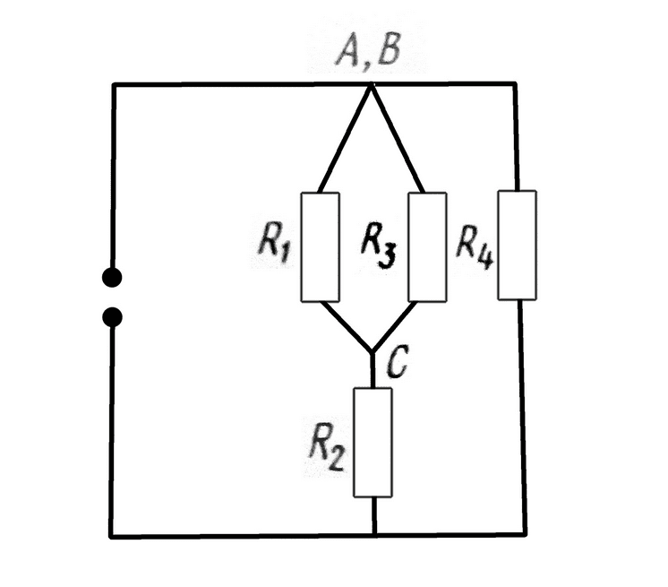
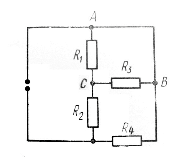
Найти полное сопротивление цепи, если R1 = 4 Ом, R2 = 3 Ом, R3 = 12 Ом, R4 = 6 Ом.
Решение
Внимательно смотрим на схему и видим, что R1 и R3 соединены параллельно. Перерисовываем схему в более наглядном виде.

Записываем общее сопротивление участка с параллельными R1 и R3:
R13 = R1•R3 / (R1 + R3).
Сопротивления R2 и R13 соединены последовательно. Следовательно, для этого участка мы можем записать:
R132 = R1•R3 / (R1 + R3) + R2.
Сопротивления R4 и R132 соединены параллельно. Находим общее сопротивление:
1/R = 1/ R4 + 1/(R1•R3 / (R1 + R3) + R2).
Выполняем сложение и преобразование дробей и получаем окончательный результат:
R = R4•(R1•R3 + R1•R2 + R2•R3) / (R1•R4 + R3•R4 + R1•R3 + R1•R2 + R3•R2).
Подставляем численные значения и получаем ответ:
R = Ом.
Заключение
Последовательное и параллельное соединения — это два основных вида соединения элементов в электрических цепях. Для последовательного соединения характерна единая сила тока во всех элементах. Параллельное соединение обеспечивает независимую работу элементов, находящихся на разных ветках. При этом напряжение на них одинаковое.
Комбинирование этих двух способов соединения позволяет получать электрические цепи, имеющие характеристики, необходимые для решения конкретной практической задачи.
Молодой и энергичный учитель математики, которая превращает сложные уравнения и теоремы в увлекательные головоломки. Для неё физика — это не просто цифры и формулы, а настоящий мир, полный загадок и открытий. Она верит, что каждый может полюбить физику, если найти к ней правильный подход
